sps
Secondary Power Supply
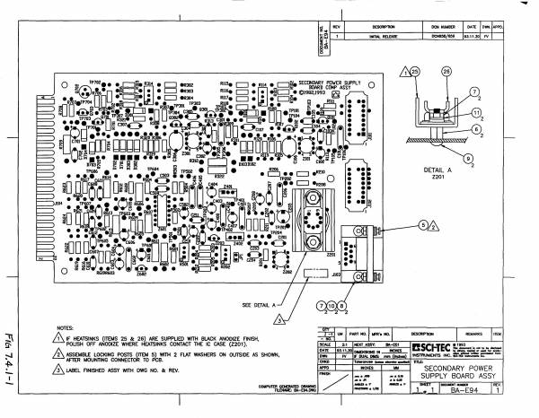
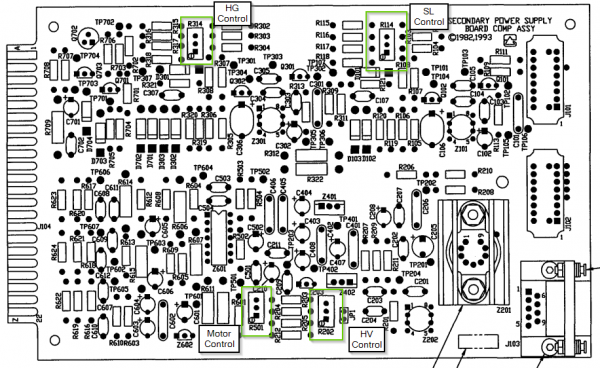
The secondary power supply (SPS) is a board that supplies regulated +5VDC and -8VDC. It also has the circuitry to control the standard lamp (SL), mercury lamp (HG) temperature monitoring, stepper motor power and high voltage power (HV).
Note - Part of the SL, HG, and HV circuitry lives on the heatsink.
Note2 - The SPS board also includes the rate meter circuitry, however this is not used and usually shorted out to by pass it.
Note: the V2 board is a version 2 board is in development board done by Environment and Climate Change Canada.
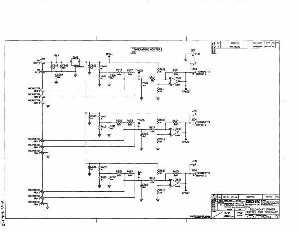
New & Old Temperature Circuit
To identify if the SPS board is using the new or old temperature circuit, you will need to locate the following
| Resistor | Old Temperature Circuit | New Temperature Circuit |
|---|---|---|
| R601, R604, R605 | 11MΩ | 825KΩ |
| R602, R606, R607 | 1.6MΩ | 3MΩ |
sps.txt · Last modified: 2025/02/04 14:05 by reno









